产品简介
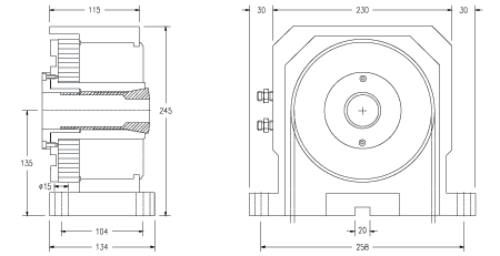
卡盘,高速卡盘,回转卡盘,双向卡盘,双向主轴夹座,气动卡盘(JAK-40)主轴夹头座产品尺寸主轴夹头座特性JAK-40气压主轴夹头座搭配16C型弹性
公司简介
东莞市德锐精密机械有限公司专业销售台湾朝铨精密夹头,各类气动油压卡盘,车床卡盘,精密卡盘,液压卡盘,筒夹夹头,回转夹头,快速夹头,主要分为以下四种:
一、前置式气动油压筒夹夹头。此类卡盘/气压回转缸,免额外安装回转缸。安装简易,快速建置工作夹持系统,适合传统车床改装自动化或半自动化。目前广泛应用于车牙机,螺丝机,倒角机,焊接设备,检测设备,普通车床,数控车床等机床的车削,车牙,钻孔等工件的加工。内藏油压
二、固定式卡盘,此类卡盘广泛应用于钻床铣床上面,完成钻攻牙之类的工作。
三、动力卡盘此类卡盘有二爪卡盘,三爪卡盘,四爪卡盘,适合大工件的夹持工作。
四、双向主轴夹头座是一款空油压主轴筒夹夹头/对称工件加工所设计的一款卡盘。广泛应用于自行车零件,汽车零件,机车零件,运动器材零件等座,是一款专为双向加工
目前我司已和国内多家大型企业建立合作关系,为企业量身订做各种非标气压卡盘,液压夹头。此外公司根据目前市场需求,全力配合客户,专业提供车床夹具改装方案,我们的宗旨是“节省客户改装成本,提高机床生产效率”。届时我们竭诚欢迎各位新老客户共同探讨卡盘方面的技术问题,德锐精密机械将会以负责的工作精神,踏踏实实的提供每位客户最适合的卡盘型号。
展开
产品说明
卡盘,高速卡盘,回转卡盘,双向卡盘,双向主轴夹座,气动卡盘(JAK-40)
主轴夹头座产品尺寸

主轴夹头座特性
JAK-40气压主轴夹头座搭配16C型弹性筒夹工作.zui大夹径40mm.zui高转速达3200RPM.JAK-40整合回转主轴与精密筒夹夹头.适合设计自动上料型的加工专用机.能大幅节省专用机自动上料系统的空间与成本.
本页产品地址:http://www.geilan.com/sell/show-112514.html