提交询价信息
发布紧急求购
您好,欢迎来到给览网!手机版|本站服务|添加收藏|帮助中心
您所在的位置: 给览网 » 供应 » 工控仪表 » 电工仪表 » 伏安表 » 直流电流表44C2-2.5KA 44C2-2500A 75MV

直流电流表44C2-2.5KA 44C2-2500A 75MV

上海宇泰电器仪表实业公司(广州总经销)
会员指数: 企业认证:       

价格:电议

所在地:广东 广州市

型号:直流电流表44C2-2.5KA

手机:18902499256

电话:020-81856452 89539678

更新时间:2024-09-15

浏览次数:3574

公司地址:广州市越秀区进步里33号

18902499256   刘工(先生) 总经理  (来电时请说是从给览网看到我的)

产品简介

直流电流表44C2-2.5KA 44C2-2500A 75MV

公司简介

上海宇泰电器仪表实业公司(广州总经销)是一家专业生产配电盘安装式仪表的公司。主要产品有各种型号的交直流电压表,电流表,频率表,功率表,功率因素表,各种数字显示电力电工仪表,智能控制仪表,多功能电力网络仪表,电力互感装置,电流互感器,分流器,各类仪表配件,注塑成型,胶木成型。公司拥有一批长期从事仪表专业的中高级工程技术人员。公司实行电脑化管理系统,引进数字标准表作标准。
本公司主要生产85L17 69L17 69C17 85C17 91C4 91L4 1T1 1C2 42L6 42C3 44L1 44C2 6L2 6C2 85C1 85L1 81T2 59L1 59C2 69L9 69C9 69L13 69C13 6C4 62T51 62C5 DP35 HZ KW MZ-10.96T1.96L1.96C1.72T1.72L1.72C1.99T1.99L1.TF96.TF72.TF80.TF670.TF60.TF50.TF65.SD80.SD670.SD60.SD50.SD45.等型号电流电压表。
公司网站:www.yutai020.com  www.yutai0200.com
展开

产品说明


宇泰 44L1-A/V、44C2-A/V、44L1-HZ 电流表 电压表 频率表

产品概述
44L1,44C2型电表是用途广泛的直接作用模拟指示电测量仪表、适用于直流电路和交流电路测量:电压、电流、功率、频率和功率因数等电量参数。安装式电表的优点是可以显示被测量电量的变化趋势:主要用于工矿企业,冶金,化工、电力、成套设备及各种电控装置上。造型简洁明快、美观大方。产品性能符合GB/T7676-1998国家标准要求。
主要功能特点:交流电流表、电压表、功率表、功率因数表、频率表。
       直流电流表、电压表。
主要技术参数:
耐机械力性能
能 承受加速度为30米/秒2,及冲击频率每分钟80~120次2小时的运输颠震
防外磁场影响
在5奥斯特外界磁场作用下,所引起的指示值改变不超过±2.5%
绝缘强度
交流50Hz,2000V,历时1分钟
环境条件
温度:-20~+40℃,相对湿度≤85%
(25℃) 阻尼响应时间≤4秒
工作位置
垂直使用
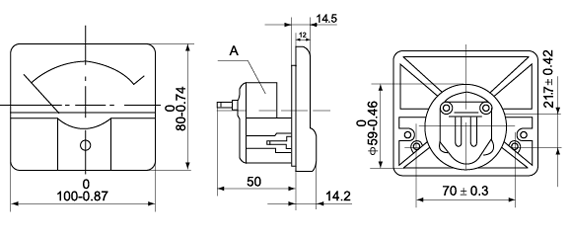
外形及安装尺寸
宇泰 电流表 电压表 44L1-0.5A 44L1-500MA 44L1-1A 44L1-2A 44L1-3A 44L1-5A 44L1-10A 44L1-20A 44L1-30A 44L1-15A 44L1-50A 44L1-20/5A 44L1-30/5A 44L1-50/5A 44L1-75A 44L1-75/5A 44L1-100A 44L1-100/5A 44L1-150A 44L1-150/5A 44L1-200A 44L1-200/5A 44L1-250A 44L1-250/5A 44L1-300A 44L1-300/5A 44L1-400A 44L1-400/5A 44L1-500A 44L1-500/5A 44L1-600A 44L1-600/5A 44L1-750A 44L1-750/5A 44L1=800A 44L1-1000A 44L1-1500A 44L1-2000A 44L1-2500A 44L1-3000.A 44L1-10V 44L1-15V 44L1-20V 44L1-30V 44L1-50V 44L1-75V 44L1-100V 44L1-150V 44L1-250V 44L1-300V 44L1-450V 44L1-500V 44L1-600V 44L1-HZ 380V 44L1-HZ 220V 44L1-100V 44L1-KW 44C2-10MA 44C2-20MA 44C2-30MA 44C2-50MA 44C2-100MA 44C2-200MA 44C2-300MA 44C2-500MA 44C2-0.5A 44C2-100UA 44C2-200UA 44C2-1A 44C2-2A 44C2-3A 44C2-5A 44C2-10A 44C2-15A 44C2-20A 44C2-30A 44C2-50A 44C2-75A 44C2-100A 44C2-150A 44C2-200A 44C2-250A 44C2-300A 44C2-400A 44C2-500A 44C2-600A 44C2-750A 44C2-1000A 44C2-1500A 44C2-2000A 44C2-2500A 44C2-3000A 44C2-4000A 44C2-10V 44C2-15V 44C2-20V 44C2-30V 44C2-50V 44C2-75V 44C2-100V 44C2-150V 44C2-250V 44C2-300V 44C2-450V宇泰 电流表 电压表 44L1-0.5A 44L1-500MA 44L1-1A 44L1-2A 44L1-3A 44L1-5A 44L1-10A 44L1-20A 44L1-30A 44L1-15A 44L1-50A 44L1-20/5A 44L1-30/5A 44L1-50/5A 44L1-75A 44L1-75/5A 44L1-100A 44L1-100/5A 44L1-150A 44L1-150/5A 44L1-200A 44L1-200/5A 44L1-250A 44L1-250/5A 44L1-300A 44L1-300/5A 44L1-400A 44L1-400/5A 44L1-500A 44L1-500/5A 44L1-600A 44L1-600/5A 44L1-750A 44L1-750/5A 44L1=800A 44L1-1000A 44L1-1500A 44L1-2000A 44L1-2500A 44L1-3000.A 44L1-10V 44L1-15V 44L1-20V 44L1-30V 44L1-50V 44L1-75V 44L1-100V 44L1-150V 44L1-250V 44L1-300V 44L1-450V 44L1-500V 44L1-600V 44L1-HZ 380V 44L1-HZ 220V 44L1-100V 44L1-KW 44C2-10MA 44C2-20MA 44C2-30MA 44C2-50MA 44C2-100MA 44C2-200MA 44C2-300MA 44C2-500MA 44C2-0.5A 44C2-100UA 44C2-200UA 44C2-1A 44C2-2A 44C2-3A 44C2-5A 44C2-10A 44C2-15A 44C2-20A 44C2-30A 44C2-50A 44C2-75A 44C2-100A 44C2-150A 44C2-200A 44C2-250A 44C2-300A 44C2-400A 44C2-500A 44C2-600A 44C2-750A 44C2-1000A 44C2-1500A 44C2-2000A 44C2-2500A 44C2-3000A 44C2-4000A 44C2-10V 44C2-15V 44C2-20V 44C2-30V 44C2-50V 44C2-75V 44C2-100V 44C2-150V 44C2-250V 44C2-300V 44C2-450V宇泰 电流表 电压表 44L1-0.5A 44L1-500MA 44L1-1A 44L1-2A 44L1-3A 44L1-5A 44L1-10A 44L1-20A 44L1-30A 44L1-15A 44L1-50A 44L1-20/5A 44L1-30/5A 44L1-50/5A 44L1-75A 44L1-75/5A 44L1-100A 44L1-100/5A 44L1-150A 44L1-150/5A 44L1-200A 44L1-200/5A 44L1-250A 44L1-250/5A 44L1-300A 44L1-300/5A 44L1-400A 44L1-400/5A 44L1-500A 44L1-500/5A 44L1-600A 44L1-600/5A 44L1-750A 44L1-750/5A 44L1=800A 44L1-1000A 44L1-1500A 44L1-2000A 44L1-2500A 44L1-3000.A 44L1-10V 44L1-15V 44L1-20V 44L1-30V 44L1-50V 44L1-75V 44L1-100V 44L1-150V 44L1-250V 44L1-300V 44L1-450V 44L1-500V 44L1-600V 44L1-HZ 380V 44L1-HZ 220V 44L1-100V 44L1-KW 44C2-10MA 44C2-20MA 44C2-30MA 44C2-50MA 44C2-100MA 44C2-200MA 44C2-300MA 44C2-500MA 44C2-0.5A 44C2-100UA 44C2-200UA 44C2-1A 44C2-2A 44C2-3A 44C2-5A 44C2-10A 44C2-15A 44C2-20A 44C2-30A 44C2-50A 44C2-75A 44C2-100A 44C2-150A 44C2-200A 44C2-250A 44C2-300A 44C2-400A 44C2-500A 44C2-600A 44C2-750A 44C2-1000A 44C2-1500A 44C2-2000A 44C2-2500A 44C2-3000A 44C2-4000A 44C2-10V 44C2-15V 44C2-20V 44C2-30V 44C2-50V 44C2-75V 44C2-100V 44C2-150V 44C2-250V 44C2-300V 44C2-450V宇泰 电流表 电压表 44L1-0.5A 44L1-500MA 44L1-1A 44L1-2A 44L1-3A 44L1-5A 44L1-10A 44L1-20A 44L1-30A 44L1-15A 44L1-50A 44L1-20/5A 44L1-30/5A 44L1-50/5A 44L1-75A 44L1-75/5A 44L1-100A 44L1-100/5A 44L1-150A 44L1-150/5A 44L1-200A 44L1-200/5A 44L1-250A 44L1-250/5A 44L1-300A 44L1-300/5A 44L1-400A 44L1-400/5A 44L1-500A 44L1-500/5A 44L1-600A 44L1-600/5A 44L1-750A 44L1-750/5A 44L1=800A 44L1-1000A 44L1-1500A 44L1-2000A 44L1-2500A 44L1-3000.A 44L1-10V 44L1-15V 44L1-20V 44L1-30V 44L1-50V 44L1-75V 44L1-100V 44L1-150V 44L1-250V 44L1-300V 44L1-450V 44L1-500V 44L1-600V 44L1-HZ 380V 44L1-HZ 220V 44L1-100V 44L1-KW 44C2-10MA 44C2-20MA 44C2-30MA 44C2-50MA 44C2-100MA 44C2-200MA 44C2-300MA 44C2-500MA 44C2-0.5A 44C2-100UA 44C2-200UA 44C2-1A 44C2-2A 44C2-3A 44C2-5A 44C2-10A 44C2-15A 44C2-20A 44C2-30A 44C2-50A 44C2-75A 44C2-100A 44C2-150A 44C2-200A 44C2-250A 44C2-300A 44C2-400A 44C2-500A 44C2-600A 44C2-750A 44C2-1000A 44C2-1500A 44C2-2000A 44C2-2500A 44C2-3000A 44C2-4000A 44C2-10V 44C2-15V 44C2-20V 44C2-30V 44C2-50V 44C2-75V 44C2-100V 44C2-150V 44C2-250V 44C2-300V 44C2-450V宇泰 电流表 电压表 44L1-0.5A 44L1-500MA 44L1-1A 44L1-2A 44L1-3A 44L1-5A 44L1-10A 44L1-20A 44L1-30A 44L1-15A 44L1-50A 44L1-20/5A 44L1-30/5A 44L1-50/5A 44L1-75A 44L1-75/5A 44L1-100A 44L1-100/5A 44L1-150A 44L1-150/5A 44L1-200A 44L1-200/5A 44L1-250A 44L1-250/5A 44L1-300A 44L1-300/5A 44L1-400A 44L1-400/5A 44L1-500A 44L1-500/5A 44L1-600A 44L1-600/5A 44L1-750A 44L1-750/5A 44L1=800A 44L1-1000A 44L1-1500A 44L1-2000A 44L1-2500A 44L1-3000.A 44L1-10V 44L1-15V 44L1-20V 44L1-30V 44L1-50V 44L1-75V 44L1-100V 44L1-150V 44L1-250V 44L1-300V 44L1-450V 44L1-500V 44L1-600V 44L1-HZ 380V 44L1-HZ 220V 44L1-100V 44L1-KW 44C2-10MA 44C2-20MA 44C2-30MA 44C2-50MA 44C2-100MA 44C2-200MA 44C2-300MA 44C2-500MA 44C2-0.5A 44C2-100UA 44C2-200UA 44C2-1A 44C2-2A 44C2-3A 44C2-5A 44C2-10A 44C2-15A 44C2-20A 44C2-30A 44C2-50A 44C2-75A 44C2-100A 44C2-150A 44C2-200A 44C2-250A 44C2-300A 44C2-400A 44C2-500A 44C2-600A 44C2-750A 44C2-1000A 44C2-1500A 44C2-2000A 44C2-2500A 44C2-3000A 44C2-4000A 44C2-10V 44C2-15V 44C2-20V 44C2-30V 44C2-50V 44C2-75V 44C2-100V 44C2-150V 44C2-250V 44C2-300V 44C2-450V


本页产品地址:http://www.geilan.com/sell/show-100733.html
免责声明:以上所展示的[直流电流表44C2-2.5KA 44C2-2500A 75MV]信息由会员[上海宇泰电器仪表实业公司(广州总经销)]自行提供,内容的真实性、准确性和合法性由发布会员负责。
[给览网]对此不承担任何责任。
友情提醒:为规避购买风险,建议您在购买相关产品前务必确认供应商资质及产品质量!

发布询价单

产品分类

没有合适的产品?是否在线询价?
询价标题
联系人
电话
主要内容
验证码