| 电流表 电压表 频率表85L1-A/V 85C1-A/V 85L1-HZ |
|
产品概述
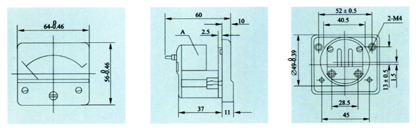
85L1,85C1型电表是用途广泛的直接作用模拟指示电测量仪表、适用于直流电路和交流电路测量:电压、电流、功率、频率和功率因数等电量参数。安装式电表的优点是可以显示被测量电量的变化趋势:主要用于工矿企业,冶金,化工、电力、成套设备及各种电控装置上。造型简洁明快、美观大方。产品性能符合GB/T7676-1998国家标准要求。 |
主要功能特点:交流电流表、电压表、功率表、功率因数表、频率表。
直流电流表、电压表。 |
主要技术参数:
|
耐机械力性能
|
能 承受加速度为30米/秒2,及冲击频率每分钟80~120次2小时的运输颠震
|
|
防外磁场影响
|
在5奥斯特外界磁场作用下,所引起的指示值改变不超过±2.5%
|
|
绝缘强度
|
交流50Hz,2000V,历时1分钟
|
|
环境条件
|
温度:-20~+40℃,相对湿度≤85%
(25℃) 阻尼响应时间≤4秒
|
|
工作位置
|
垂直使用
|
|
|

|
| |
|
宇泰 电流表 电压表 85L1-0.5A 85L1-500MA 85L1-1A 85L1-2A 85L1-3A 85L1-5A 85L1-10A 85L1-15A 85L1-20A 85L1-30A 85L1-20/5A 85L1-30/5A 85L1-50A 85L1-50/5A 85L1-75A 85L1-75/5A 85L1-100A 85L1-100/5A 85L1-150A 85L1-150/5A 85L1-200A 85L1-200/5A 85L1-250A 85L1-250/5A 85L1-300A 85L1-300/5A 85L1-400A 85L1-400/5A 85L1-500A 85L1-500/5A 85L1-600A 85L1-600/5A 85L1-750A 85L1-750/5A 85L1-800A 85L1-1000A 85L1-1500A 85L1-2000A 85L1-2500A 85L1-3000A 85L1-10V 85L1-15V 85L1-20V 85L1-30V 85L1-50V 85L1-75V 85L1-100V 85L1-150V 85L1-250V 85L1-300V 85L1-450V 85L1-500V 85L1-600V 85L1-HZ 380V 85L1-HZ 220V 85L1-HZ 100V 85C1-200MA 85C1-200UA 85C1-100UA 85C1-50UA 85C1-500UA 85C1-10MA 85C1-100MA 85C1-50MA 85C1-0.5A 85C1-500MA 85C1-1A 85C1-2A 85C1-3A 85C1-5A 85C1-10A 85C1-15A 85C1-20A 85C1-30A 85C1-50A 85C1-75A 85C1-100A 85C1-150A 85C1-200A 85C1-250A 85C1-300A 85C1-400A 85C1-500A 85C1-600A 85C1-750A 85C1-1000A 85C1-1500A 85C1-2000A 85C1-3000A 85C1-4000A 85C1-10V 85C1-15V 85C1-20V 85C1-30V 85C1-50V 85C1-75V 85C1-100V 85C1-150V 85C1-250V 85C1-300V 85C1-450V 宇泰 电流表 电压表 85L1-0.5A 85L1-500MA 85L1-1A 85L1-2A 85L1-3A 85L1-5A 85L1-10A 85L1-15A 85L1-20A 85L1-30A 85L1-20/5A 85L1-30/5A 85L1-50A 85L1-50/5A 85L1-75A 85L1-75/5A 85L1-100A 85L1-100/5A 85L1-150A 85L1-150/5A 85L1-200A 85L1-200/5A 85L1-250A 85L1-250/5A 85L1-300A 85L1-300/5A 85L1-400A 85L1-400/5A 85L1-500A 85L1-500/5A 85L1-600A 85L1-600/5A 85L1-750A 85L1-750/5A 85L1-800A 85L1-1000A 85L1-1500A 85L1-2000A 85L1-2500A 85L1-3000A 85L1-10V 85L1-15V 85L1-20V 85L1-30V 85L1-50V 85L1-75V 85L1-100V 85L1-150V 85L1-250V 85L1-300V 85L1-450V 85L1-500V 85L1-600V 85L1-HZ 380V 85L1-HZ 220V 85L1-HZ 100V 85C1-200MA 85C1-200UA 85C1-100UA 85C1-50UA 85C1-500UA 85C1-10MA 85C1-100MA 85C1-50MA 85C1-0.5A 85C1-500MA 85C1-1A 85C1-2A 85C1-3A 85C1-5A 85C1-10A 85C1-15A 85C1-20A 85C1-30A 85C1-50A 85C1-75A 85C1-100A 85C1-150A 85C1-200A 85C1-250A 85C1-300A 85C1-400A 85C1-500A 85C1-600A 85C1-750A 85C1-1000A 85C1-1500A 85C1-2000A 85C1-3000A 85C1-4000A 85C1-10V 85C1-15V 85C1-20V 85C1-30V 85C1-50V 85C1-75V 85C1-100V 85C1-150V 85C1-250V 85C1-300V 85C1-450V 宇泰 电流表 电压表 85L1-0.5A 85L1-500MA 85L1-1A 85L1-2A 85L1-3A 85L1-5A 85L1-10A 85L1-15A 85L1-20A 85L1-30A 85L1-20/5A 85L1-30/5A 85L1-50A 85L1-50/5A 85L1-75A 85L1-75/5A 85L1-100A 85L1-100/5A 85L1-150A 85L1-150/5A 85L1-200A 85L1-200/5A 85L1-250A 85L1-250/5A 85L1-300A 85L1-300/5A 85L1-400A 85L1-400/5A 85L1-500A 85L1-500/5A 85L1-600A 85L1-600/5A 85L1-750A 85L1-750/5A 85L1-800A 85L1-1000A 85L1-1500A 85L1-2000A 85L1-2500A 85L1-3000A 85L1-10V 85L1-15V 85L1-20V 85L1-30V 85L1-50V 85L1-75V 85L1-100V 85L1-150V 85L1-250V 85L1-300V 85L1-450V 85L1-500V 85L1-600V 85L1-HZ 380V 85L1-HZ 220V 85L1-HZ 100V 85C1-200MA 85C1-200UA 85C1-100UA 85C1-50UA 85C1-500UA 85C1-10MA 85C1-100MA 85C1-50MA 85C1-0.5A 85C1-500MA 85C1-1A 85C1-2A 85C1-3A 85C1-5A 85C1-10A 85C1-15A 85C1-20A 85C1-30A 85C1-50A 85C1-75A 85C1-100A 85C1-150A 85C1-200A 85C1-250A 85C1-300A 85C1-400A 85C1-500A 85C1-600A 85C1-750A 85C1-1000A 85C1-1500A 85C1-2000A 85C1-3000A 85C1-4000A 85C1-10V 85C1-15V 85C1-20V 85C1-30V 85C1-50V 85C1-75V 85C1-100V 85C1-150V 85C1-250V 85C1-300V 85C1-450V 宇泰 电流表 电压表 85L1-0.5A 85L1-500MA 85L1-1A 85L1-2A 85L1-3A 85L1-5A 85L1-10A 85L1-15A 85L1-20A 85L1-30A 85L1-20/5A 85L1-30/5A 85L1-50A 85L1-50/5A 85L1-75A 85L1-75/5A 85L1-100A 85L1-100/5A 85L1-150A 85L1-150/5A 85L1-200A 85L1-200/5A 85L1-250A 85L1-250/5A 85L1-300A 85L1-300/5A 85L1-400A 85L1-400/5A 85L1-500A 85L1-500/5A 85L1-600A 85L1-600/5A 85L1-750A 85L1-750/5A 85L1-800A 85L1-1000A 85L1-1500A 85L1-2000A 85L1-2500A 85L1-3000A 85L1-10V 85L1-15V 85L1-20V 85L1-30V 85L1-50V 85L1-75V 85L1-100V 85L1-150V 85L1-250V 85L1-300V 85L1-450V 85L1-500V 85L1-600V 85L1-HZ 380V 85L1-HZ 220V 85L1-HZ 100V 85C1-200MA 85C1-200UA 85C1-100UA 85C1-50UA 85C1-500UA 85C1-10MA 85C1-100MA 85C1-50MA 85C1-0.5A 85C1-500MA 85C1-1A 85C1-2A 85C1-3A 85C1-5A 85C1-10A 85C1-15A 85C1-20A 85C1-30A 85C1-50A 85C1-75A 85C1-100A 85C1-150A 85C1-200A 85C1-250A 85C1-300A 85C1-400A 85C1-500A 85C1-600A 85C1-750A 85C1-1000A 85C1-1500A 85C1-2000A 85C1-3000A 85C1-4000A 85C1-10V 85C1-15V 85C1-20V 85C1-30V 85C1-50V 85C1-75V 85C1-100V 85C1-150V 85C1-250V 85C1-300V 85C1-450V 宇泰 电流表 电压表 85L1-0.5A 85L1-500MA 85L1-1A 85L1-2A 85L1-3A 85L1-5A 85L1-10A 85L1-15A 85L1-20A 85L1-30A 85L1-20/5A 85L1-30/5A 85L1-50A 85L1-50/5A 85L1-75A 85L1-75/5A 85L1-100A 85L1-100/5A 85L1-150A 85L1-150/5A 85L1-200A 85L1-200/5A 85L1-250A 85L1-250/5A 85L1-300A 85L1-300/5A 85L1-400A 85L1-400/5A 85L1-500A 85L1-500/5A 85L1-600A 85L1-600/5A 85L1-750A 85L1-750/5A 85L1-800A 85L1-1000A 85L1-1500A 85L1-2000A 85L1-2500A 85L1-3000A 85L1-10V 85L1-15V 85L1-20V 85L1-30V 85L1-50V 85L1-75V 85L1-100V 85L1-150V 85L1-250V 85L1-300V 85L1-450V 85L1-500V 85L1-600V 85L1-HZ 380V 85L1-HZ 220V 85L1-HZ 100V 85C1-200MA 85C1-200UA 85C1-100UA 85C1-50UA 85C1-500UA 85C1-10MA 85C1-100MA 85C1-50MA 85C1-0.5A 85C1-500MA 85C1-1A 85C1-2A 85C1-3A 85C1-5A 85C1-10A 85C1-15A 85C1-20A 85C1-30A 85C1-50A 85C1-75A 85C1-100A 85C1-150A 85C1-200A 85C1-250A 85C1-300A 85C1-400A 85C1-500A 85C1-600A 85C1-750A 85C1-1000A 85C1-1500A 85C1-2000A 85C1-3000A 85C1-4000A 85C1-10V 85C1-15V 85C1-20V 85C1-30V 85C1-50V 85C1-75V 85C1-100V 85C1-150V 85C1-250V 85C1-300V 85C1-450V 宇泰 电流表 电压表 85L1-0.5A 85L1-500MA 85L1-1A 85L1-2A 85L1-3A 85L1-5A 85L1-10A 85L1-15A 85L1-20A 85L1-30A 85L1-20/5A 85L1-30/5A 85L1-50A 85L1-50/5A 85L1-75A 85L1-75/5A 85L1-100A 85L1-100/5A 85L1-150A 85L1-150/5A 85L1-200A 85L1-200/5A 85L1-250A 85L1-250/5A 85L1-300A 85L1-300/5A 85L1-400A 85L1-400/5A 85L1-500A 85L1-500/5A 85L1-600A 85L1-600/5A 85L1-750A 85L1-750/5A 85L1-800A 85L1-1000A 85L1-1500A 85L1-2000A 85L1-2500A 85L1-3000A 85L1-10V 85L1-15V 85L1-20V 85L1-30V 85L1-50V 85L1-75V 85L1-100V 85L1-150V 85L1-250V 85L1-300V 85L1-450V 85L1-500V 85L1-600V 85L1-HZ 380V 85L1-HZ 220V 85L1-HZ 100V 85C1-200MA 85C1-200UA 85C1-100UA 85C1-50UA 85C1-500UA 85C1-10MA 85C1-100MA 85C1-50MA 85C1-0.5A 85C1-500MA 85C1-1A 85C1-2A 85C1-3A 85C1-5A 85C1-10A 85C1-15A 85C1-20A 85C1-30A 85C1-50A 85C1-75A 85C1-100A 85C1-150A 85C1-200A 85C1-250A 85C1-300A 85C1-400A 85C1-500A 85C1-600A 85C1-750A 85C1-1000A 85C1-1500A 85C1-2000A 85C1-3000A 85C1-4000A 85C1-10V 85C1-15V 85C1-20V 85C1-30V 85C1-50V 85C1-75V 85C1-100V 85C1-150V 85C1-250V 85C1-300V 85C1-450V
如果您觉得“电流表85C1-200A 150A 250A 300A”描述资料不够齐全,请联系我们获取详细资料。(联系时请告诉我从给览网看到的,我们将给您最大优惠!)
本页链接:http://www.geilan.com/com_yutai0200/sell/itemid-101400.html
已经有3005位访客查看了本页.