当前位置:给览网 » 供应 » 工控仪表 » 电工仪表 » 伏安表 » 上海宇泰电器仪表实业公司(广州总经销) » 直流电流表44C2-A

产品详情

直流电流表44C2-5MA 44C2-MA -5MA 44C2-MA

  • 产品/服务:直流电流表44C2-5MA 44C2-MA -5MA 44C2-MA
  • 型 号:直流电流表44C2-5MA 44C2-MA
  • 品 牌:宇泰.中达仪表厂
  • 单 价:面议 
  • 更新日期:2024-09-15
  • 有效期至:长期有效
  • 浏览次数:2428
产品简介

直流电流表44C2-5MA 44C2-MA...

产品详细介绍

宇泰 44L1-A/V、44C2-A/V、44L1-HZ 电流表 电压表 频率表

产品概述
44L1,44C2型电表是用途广泛的直接作用模拟指示电测量仪表、适用于直流电路和交流电路测量:电压、电流、功率、频率和功率因数等电量参数。安装式电表的优点是可以显示被测量电量的变化趋势:主要用于工矿企业,冶金,化工、电力、成套设备及各种电控装置上。造型简洁明快、美观大方。产品性能符合GB/T7676-1998国家标准要求。
主要功能特点:交流电流表、电压表、功率表、功率因数表、频率表。
       直流电流表、电压表。
主要技术参数:
耐机械力性能
能 承受加速度为30米/秒2,及冲击频率每分钟80~120次2小时的运输颠震
防外磁场影响
在5奥斯特外界磁场作用下,所引起的指示值改变不超过±2.5%
绝缘强度
交流50Hz,2000V,历时1分钟
环境条件
温度:-20~+40℃,相对湿度≤85%
(25℃) 阻尼响应时间≤4秒
工作位置
垂直使用
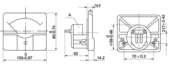
外形及安装尺寸
宇泰 电流表 电压表 44L1-0.5A 44L1-500MA 44L1-1A 44L1-2A 44L1-3A 44L1-5A 44L1-10A 44L1-20A 44L1-30A 44L1-15A 44L1-50A 44L1-20/5A 44L1-30/5A 44L1-50/5A 44L1-75A 44L1-75/5A 44L1-100A 44L1-100/5A 44L1-150A 44L1-150/5A 44L1-200A 44L1-200/5A 44L1-250A 44L1-250/5A 44L1-300A 44L1-300/5A 44L1-400A 44L1-400/5A 44L1-500A 44L1-500/5A 44L1-600A 44L1-600/5A 44L1-750A 44L1-750/5A 44L1=800A 44L1-1000A 44L1-1500A 44L1-2000A 44L1-2500A 44L1-3000.A 44L1-10V 44L1-15V 44L1-20V 44L1-30V 44L1-50V 44L1-75V 44L1-100V 44L1-150V 44L1-250V 44L1-300V 44L1-450V 44L1-500V 44L1-600V 44L1-HZ 380V 44L1-HZ 220V 44L1-100V 44L1-KW 44C2-10MA 44C2-20MA 44C2-30MA 44C2-50MA 44C2-100MA 44C2-200MA 44C2-300MA 44C2-500MA 44C2-0.5A 44C2-100UA 44C2-200UA 44C2-1A 44C2-2A 44C2-3A 44C2-5A 44C2-10A 44C2-15A 44C2-20A 44C2-30A 44C2-50A 44C2-75A 44C2-100A 44C2-150A 44C2-200A 44C2-250A 44C2-300A 44C2-400A 44C2-500A 44C2-600A 44C2-750A 44C2-1000A 44C2-1500A 44C2-2000A 44C2-2500A 44C2-3000A 44C2-4000A 44C2-10V 44C2-15V 44C2-20V 44C2-30V 44C2-50V 44C2-75V 44C2-100V 44C2-150V 44C2-250V 44C2-300V 44C2-450V宇泰 电流表 电压表 44L1-0.5A 44L1-500MA 44L1-1A 44L1-2A 44L1-3A 44L1-5A 44L1-10A 44L1-20A 44L1-30A 44L1-15A 44L1-50A 44L1-20/5A 44L1-30/5A 44L1-50/5A 44L1-75A 44L1-75/5A 44L1-100A 44L1-100/5A 44L1-150A 44L1-150/5A 44L1-200A 44L1-200/5A 44L1-250A 44L1-250/5A 44L1-300A 44L1-300/5A 44L1-400A 44L1-400/5A 44L1-500A 44L1-500/5A 44L1-600A 44L1-600/5A 44L1-750A 44L1-750/5A 44L1=800A 44L1-1000A 44L1-1500A 44L1-2000A 44L1-2500A 44L1-3000.A 44L1-10V 44L1-15V 44L1-20V 44L1-30V 44L1-50V 44L1-75V 44L1-100V 44L1-150V 44L1-250V 44L1-300V 44L1-450V 44L1-500V 44L1-600V 44L1-HZ 380V 44L1-HZ 220V 44L1-100V 44L1-KW 44C2-10MA 44C2-20MA 44C2-30MA 44C2-50MA 44C2-100MA 44C2-200MA 44C2-300MA 44C2-500MA 44C2-0.5A 44C2-100UA 44C2-200UA 44C2-1A 44C2-2A 44C2-3A 44C2-5A 44C2-10A 44C2-15A 44C2-20A 44C2-30A 44C2-50A 44C2-75A 44C2-100A 44C2-150A 44C2-200A 44C2-250A 44C2-300A 44C2-400A 44C2-500A 44C2-600A 44C2-750A 44C2-1000A 44C2-1500A 44C2-2000A 44C2-2500A 44C2-3000A 44C2-4000A 44C2-10V 44C2-15V 44C2-20V 44C2-30V 44C2-50V 44C2-75V 44C2-100V 44C2-150V 44C2-250V 44C2-300V 44C2-450V宇泰 电流表 电压表 44L1-0.5A 44L1-500MA 44L1-1A 44L1-2A 44L1-3A 44L1-5A 44L1-10A 44L1-20A 44L1-30A 44L1-15A 44L1-50A 44L1-20/5A 44L1-30/5A 44L1-50/5A 44L1-75A 44L1-75/5A 44L1-100A 44L1-100/5A 44L1-150A 44L1-150/5A 44L1-200A 44L1-200/5A 44L1-250A 44L1-250/5A 44L1-300A 44L1-300/5A 44L1-400A 44L1-400/5A 44L1-500A 44L1-500/5A 44L1-600A 44L1-600/5A 44L1-750A 44L1-750/5A 44L1=800A 44L1-1000A 44L1-1500A 44L1-2000A 44L1-2500A 44L1-3000.A 44L1-10V 44L1-15V 44L1-20V 44L1-30V 44L1-50V 44L1-75V 44L1-100V 44L1-150V 44L1-250V 44L1-300V 44L1-450V 44L1-500V 44L1-600V 44L1-HZ 380V 44L1-HZ 220V 44L1-100V 44L1-KW 44C2-10MA 44C2-20MA 44C2-30MA 44C2-50MA 44C2-100MA 44C2-200MA 44C2-300MA 44C2-500MA 44C2-0.5A 44C2-100UA 44C2-200UA 44C2-1A 44C2-2A 44C2-3A 44C2-5A 44C2-10A 44C2-15A 44C2-20A 44C2-30A 44C2-50A 44C2-75A 44C2-100A 44C2-150A 44C2-200A 44C2-250A 44C2-300A 44C2-400A 44C2-500A 44C2-600A 44C2-750A 44C2-1000A 44C2-1500A 44C2-2000A 44C2-2500A 44C2-3000A 44C2-4000A 44C2-10V 44C2-15V 44C2-20V 44C2-30V 44C2-50V 44C2-75V 44C2-100V 44C2-150V 44C2-250V 44C2-300V 44C2-450V宇泰 电流表 电压表 44L1-0.5A 44L1-500MA 44L1-1A 44L1-2A 44L1-3A 44L1-5A 44L1-10A 44L1-20A 44L1-30A 44L1-15A 44L1-50A 44L1-20/5A 44L1-30/5A 44L1-50/5A 44L1-75A 44L1-75/5A 44L1-100A 44L1-100/5A 44L1-150A 44L1-150/5A 44L1-200A 44L1-200/5A 44L1-250A 44L1-250/5A 44L1-300A 44L1-300/5A 44L1-400A 44L1-400/5A 44L1-500A 44L1-500/5A 44L1-600A 44L1-600/5A 44L1-750A 44L1-750/5A 44L1=800A 44L1-1000A 44L1-1500A 44L1-2000A 44L1-2500A 44L1-3000.A 44L1-10V 44L1-15V 44L1-20V 44L1-30V 44L1-50V 44L1-75V 44L1-100V 44L1-150V 44L1-250V 44L1-300V 44L1-450V 44L1-500V 44L1-600V 44L1-HZ 380V 44L1-HZ 220V 44L1-100V 44L1-KW 44C2-10MA 44C2-20MA 44C2-30MA 44C2-50MA 44C2-100MA 44C2-200MA 44C2-300MA 44C2-500MA 44C2-0.5A 44C2-100UA 44C2-200UA 44C2-1A 44C2-2A 44C2-3A 44C2-5A 44C2-10A 44C2-15A 44C2-20A 44C2-30A 44C2-50A 44C2-75A 44C2-100A 44C2-150A 44C2-200A 44C2-250A 44C2-300A 44C2-400A 44C2-500A 44C2-600A 44C2-750A 44C2-1000A 44C2-1500A 44C2-2000A 44C2-2500A 44C2-3000A 44C2-4000A 44C2-10V 44C2-15V 44C2-20V 44C2-30V 44C2-50V 44C2-75V 44C2-100V 44C2-150V 44C2-250V 44C2-300V 44C2-450V宇泰 电流表 电压表 44L1-0.5A 44L1-500MA 44L1-1A 44L1-2A 44L1-3A 44L1-5A 44L1-10A 44L1-20A 44L1-30A 44L1-15A 44L1-50A 44L1-20/5A 44L1-30/5A 44L1-50/5A 44L1-75A 44L1-75/5A 44L1-100A 44L1-100/5A 44L1-150A 44L1-150/5A 44L1-200A 44L1-200/5A 44L1-250A 44L1-250/5A 44L1-300A 44L1-300/5A 44L1-400A 44L1-400/5A 44L1-500A 44L1-500/5A 44L1-600A 44L1-600/5A 44L1-750A 44L1-750/5A 44L1=800A 44L1-1000A 44L1-1500A 44L1-2000A 44L1-2500A 44L1-3000.A 44L1-10V 44L1-15V 44L1-20V 44L1-30V 44L1-50V 44L1-75V 44L1-100V 44L1-150V 44L1-250V 44L1-300V 44L1-450V 44L1-500V 44L1-600V 44L1-HZ 380V 44L1-HZ 220V 44L1-100V 44L1-KW 44C2-10MA 44C2-20MA 44C2-30MA 44C2-50MA 44C2-100MA 44C2-200MA 44C2-300MA 44C2-500MA 44C2-0.5A 44C2-100UA 44C2-200UA 44C2-1A 44C2-2A 44C2-3A 44C2-5A 44C2-10A 44C2-15A 44C2-20A 44C2-30A 44C2-50A 44C2-75A 44C2-100A 44C2-150A 44C2-200A 44C2-250A 44C2-300A 44C2-400A 44C2-500A 44C2-600A 44C2-750A 44C2-1000A 44C2-1500A 44C2-2000A 44C2-2500A 44C2-3000A 44C2-4000A 44C2-10V 44C2-15V 44C2-20V 44C2-30V 44C2-50V 44C2-75V 44C2-100V 44C2-150V 44C2-250V 44C2-300V 44C2-450V


如果您觉得“直流电流表44C2-5MA 44C2-MA -5MA 44C2-MA”描述资料不够齐全,请联系我们获取详细资料。(联系时请告诉我从给览网看到的,我们将给您最大优惠!)
本页链接:http://www.geilan.com/com_yutai0200/sell/itemid-100812.html
已经有2428位访客查看了本页.
产品咨询
* 询价标题:   
快捷提问: (不用打字 “快捷提问”帮您忙!)
* 主要内容:
我希望在 日前回复
公司名:
*联系人:
*联系电话:
电子邮箱:
QQ :
* 验证码:  

公司名称:上海宇泰电器仪表实业公司(广州总经销)

联系人:刘工

电话:020-81856452 89539678

手机:18902499256

传真:020-81856452

邮件:yutai0200@163.com

地址:广州市越秀区进步里33号

 
没有合适的产品?是否在线询价?
询价标题
联系人
电话
主要内容
验证码  

  • 点击这里给我发消息