DZS3-150A 失电制动器

DZS3-150A 失电制动器 海万生产厂家特惠 无锡海万电磁制动器,电磁离合器生产厂家,价格优惠。本公司产品质量保证,价格优惠,品种齐全,销往全国各地。...
DZS3-150A 失电制动器 海万生产厂家特惠 无锡海万电磁制动器,电磁离合器生产厂家,价格优惠。本公司产品质量保证,价格优惠,品种齐全,销往全国各地。
失电制动器失电制动器
失电制动器
一、海万产品概述
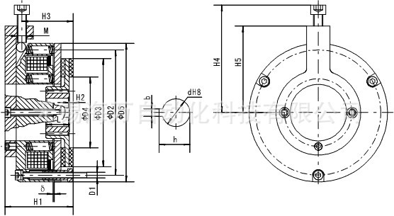
DZS3系列A型电磁失电制动器为通电脱离(释放), 断电弹簧制动的摩擦式制动器。它主要与Y系列电动机配套成YEJ系列电磁制动三相异步电动机。广泛应用于冶金、建筑、化工、食品、 机床、 包装等机械中,及在断电时(防险)制动等场合。这种制动器具有结构紧凑、安装方便、适用性广、噪声低、工作频次高、动作灵敏、制动可靠等优点,是一种理想的自动化执行元件。
手动释放说明:这是一种能硬释放的制动器,当旋紧释放螺钉通过钢球推动释放板,从而拉动衔铁解除制动;旋松螺钉,衔铁通过弹簧力复位,恢复制动状态。
二、性能参数
三、外形及安装尺寸

四、安装注意事项
DZD3-05,DZD3-10,DZD3-20
DZD5-40A,DZD5-80A,DZD5-160A
DZD1-50B , DZD1-100B
DZD5-05,DZD5-10,DZD5-20,DZD5-40
DZD5-80,DZD5-160,DZD5-320
DZD1-50A, DZD1-100A
DZD1-0.6A,DZD1-1.2A,DZD1-2.5A
DZD1-5B , DZD1-10B , DZD1-16B
DZD1-32 DZD1-50 DZD1-100
DZD1-0.6B,DZD1-1.2B,DZD1-2.5B
DZD1-0.6,DZD1-1.2,DZD1-2.5,DZD1-5
DZD5-160B,DZD5-320B
DZD5-05A,DZD5-10A,DZD5-20A
DZD5-320A,DZD5-05B,DZD5-10B
DZD1-25B , DZD1-32B
DZD1-10 DZD1-16 DZD1-25
DZD1-25A, DZD1-32A
DZJ-80,DZJ-160,DZJ-200
DZJ-05,DZJ-10,DZJ-20,DZJ-40
SDZ1-850, SDZ1-2000, SDZ1-450
SDZ1-600 , SDZ1-200 , SDZ1-300
SDZ1-40, SDZ1-15
SDZ1-02,SDZ1-08,SDZ1-04,SDZ1-15
SDZ1-200Y,SDZ1-300Y,SDZ1-450Y
SDZ1-80, SDZ1-150 , SDZ1-30
SDZ1-04Y,SDZ1-08Y,SDZ1-15Y,SDZ1-30Y
SDZ1-40Y,SDZ1-80Y,SDZ1-150Y
DZS3-300A,DZS3-450A,DZS3-600A,DZS3-850A
DZS3-05A,DZS3-08A,DZS3-15A,DZS3-30A
DZS3-05,DZS3-08,DZS3-15,DZS3-30
DZS-05,DZS-08,DZS-15,DZS-30
DZS3-40 , DZS3-80, DZS3-150
DZS3-200, DZS3-300, DZS3-450
DZS-1200,DZS-2500
DZS-40,DZS-80,DZS-150
DZS3-40A,DZS3-80A,DZS3-150A,DZS3-200A
DZD5-20B,DZD5-40B,DZD5-80B
DZS3-600, DZS3-850, DZS3-2000
DZS-200 DZS-300 DZS-450
DZD3-40,DZD3-80,DZD3-160
叶片泵,齿轮泵,柱塞泵,双联叶片泵,定量叶片泵,双联变量叶片泵,双联齿轮泵,油泵,齿轮油泵,齿轮马达,液压马达,高压齿轮泵,高压齿轮马达,油泵电机组厂家无锡海万;
电磁阀,脉冲阀,脉冲控制仪,膜片,气控阀,截止阀,截止式换向阀,人控阀,机械阀,手转阀,角座阀,制冷电磁阀,膜片电磁阀,法兰电磁阀,减压阀,调压阀,油雾器,过滤器,空气过滤器,二联件,三联件,气源处理组合,除油器厂家无锡海万;
液压附件,蓄能器,蓄能器安全阀组,截止阀安全阀组,过滤器,过过器滤芯,冷却器,风冷机,液位计,温度计,滤清器厂家无锡海万;
电磁制动器,电磁失电制动器,电磁离合器,多片电磁离合器,牙嵌式电磁离合器,多片多片电磁离合器,干片电磁离合器,快速电磁离合器,单片电磁离合器器,整流器,整流装置,碳刷,电刷,制动器厂家无锡海万。本公司产品质量保证,价格优惠,品种齐全,销往全国各地。
如果您觉得“DZS3-150A 失电制动器”描述资料不够齐全,请联系我们获取详细资料。(联系时请告诉我从给览网看到的,我们将给您最大优惠!)
本页链接:http://www.geilan.com/com_wxhaiwan88/sell/itemid-9083239.html
已经有909位访客查看了本页.






