无锡海万 K25JD-6M,K25JD-8M 截止换向阀

K25J系列二位五通截止换向阀,是一机部换向阀联合设计产品,具有结构合理,动作可靠。换向阀是具有两种以上流动形式和两个以上油口的方向控制阀。是实现液压油流的沟通、切断和换向,以及压力卸载和顺序动作控制的阀门。可分为手动换向阀、电磁换向阀、电液换向阀等又称克里斯阀,阀门的一种,具有多向可调的通道,可适时改...
|
K25JK2-20,K25JK2-25
|
|
| K25JD-6M,K25JD-8M,K25JD-10M,K25JD-15M |
二位五通换向阀K25J、K25系列,厂家直销,无锡海万生产。
一、产品简介
K25J系列二位五通截止换向阀,是一机部换向阀联合设计产品,具有结构合理,动作可靠。
换向阀是具有两种以上流动形式和两个以上油口的方向控制阀。是实现液压油流的沟通、切断和换向,以及压力卸载和顺序动作控制的阀门。可分为手动换向阀、电磁换向阀、电液换向阀等又称克里斯阀,阀门的一种,具有多向可调的通道,可适时改变流体流向。
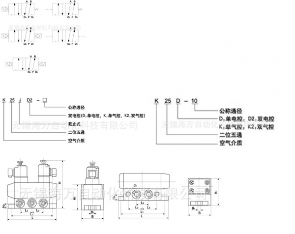
二、K25J、K25产品尺寸图

三、K25J、K25截止换向阀产品参数
|
公径通称(mm) |
Φ6 |
Φ8 |
Φ10 |
Φ15 |
Φ20 |
Φ25 |
|
介质温度和环境温度(℃ ) |
-5-50 |
|||||
|
工作压力范围(MPa) |
0.2-0.8 |
|||||
|
泄漏量(ml/min) |
50 |
100 |
200 |
|||
|
换向时间(sec) |
≤0.04 |
≤0.06 |
≤0.10 |
|||
|
最高切换频率(Hz) |
≥10 |
≥8 |
≥4 |
|||
|
有效截面积S值(mm2) |
10 |
20 |
35 |
60 |
120 |
190 |
|
额定流量(m3/h) |
2.5 |
5 |
7 |
10 |
20 |
30 |
|
工作电压(V) |
AC:380,220,110,36;DC:220,110,24 |
|||||
|
型号 |
接口螺纹(d) |
D1 |
L |
L1 |
L2 |
L3 |
B |
B1 |
H |
H1 |
H2 |
|
K25D(K)-6 |
M10×1 G1/8 |
M10×1 |
132 |
112 |
28 |
37 |
56 |
9 |
134 |
68 |
14 |
|
K25D2(K2)-6 |
|||||||||||
|
K25D(K)-8 |
M12×1.25 G1/4 |
M10×1 |
132 |
112 |
28 |
37 |
56 |
9 |
134 |
68 |
14 |
|
K25D2(K2)-8 |
|||||||||||
|
K25D(K)-10 |
M16×1.5 G3/8 |
M10×1 |
169 |
146 |
38 |
49 |
74 |
9 |
162 |
90 |
19 |
|
K25D2(K2)-10 |
|||||||||||
|
K25D(K)-15 |
M20×1.5 G1/2 |
M10×1 |
169 |
146 |
38 |
49 |
74 |
9 |
162 |
90 |
19 |
|
K25D2(K2)-15 |
|||||||||||
|
K25D(K)-20 |
M27×2 G3/4 |
M10×1 |
251 |
204 |
60 |
70 |
112 |
12 |
206 |
129 |
30 |
|
K25D2(K2)-20 |
|||||||||||
|
K25D(K)-25 |
M33×2 G1 |
M10×1 |
251 |
204 |
60 |
70 |
112 |
12 |
206 |
129 |
30 |
|
K25D2(K2)-25 |
|
型号 参数 |
公称通径(mm) |
工作压力(MPa) |
电源压力(V) |
换向时间(sec) |
切换频率(Hz) |
寿命(万次) |
泄漏量(mL/min) |
环境温度(℃) |
公称流量(m3/h) |
有效截面积S值(mm2) |
|
K25D(K)-6 K25D2(K2)-6 |
6 |
|
DC |
0.06 |
6 |
150 |
0.1 |
5-50 |
2.5 |
10 |
|
K25D(K)-8 K25D2(K2)-8 |
8 |
0.15-0.8 |
24V |
5 |
20 |
|||||
|
K25D(K)-10 K25D2(K2)-10 |
10 |
12V |
0.06 |
6 |
0.3 |
7 |
35 |
|||
|
K25D(K)-15 K25D2(K2)-15 |
15 |
AC |
10 |
60 |
||||||
|
K25D(K)-20 K25D2(K2)-20 |
20 |
220V |
0.12 |
2 |
0.5 |
20 |
120 |
|||
|
K25D(K)-25 K25D2(K2)-25 |
25 |
36V |
30 |
190 |
四、安装与使用
1.使用前注意检查组件在运输过程中是否损坏,然后安装使用;
2.安装时请注意气体流动方向及接管牙型是否正确。使用介质必须经过滤芯过滤;
3.请注意安装条件是否符合技术要求(如“工作压力”、“使用温度范围”等),然后安装使用;
4.尽量避免在震动的环境下使用,并注意低温下的防冻措施;
5.连接主管路时,注意止泄带缠绕不可超过接头牙端面,并注意清除管路接头内的粉尘、铁屑等赃物;
6.安装时先将底座垫片压入底座,然后将底座与阀体用所配螺钉连接,暂时未用到的安装位置可压入底座垫片后用所附盲盖密封,待系统扩充时再将盲盖取下装入相应电磁阀;
7.请注意防尘,拆下不用时应在进、出气口装防尘套。
无锡型截止换向阀系列,无锡海万生产,厂家直销。
可订购型号:
|
K23JD-32BW,K23JD-40BW
|
|
如果您觉得“无锡海万 K25JD-6M,K25JD-8M 截止换向阀”描述资料不够齐全,请联系我们获取详细资料。(联系时请告诉我从给览网看到的,我们将给您最大优惠!)
本页链接:http://www.geilan.com/com_wxhaiwan88/sell/itemid-9037555.html
已经有958位访客查看了本页.






