| 提交询价信息 |
| 发布紧急求购 |
价格:电议
所在地:上海
型号:ACTB-1
更新时间:2012-05-11
浏览次数:1534
公司地址:上海市嘉定马东工业园区育绿路253号
![]()
夏丽平(女士) 销售经理
【企业概况】
安科瑞是上海安科瑞电气股份有限公司的简称,创建于2003年6月23日,是一家集研发、生产、销售于一体的高科技股份制企业。总部位于上海嘉定育绿路253号,是安科瑞的技术研发、系统集成及商务中心。在江阴设有生产制造基地,是智能电力仪表行业中首家采用SMT无铅化先进生产工艺的厂家,为产品产业化、规模化实施提供保障。公司致力于智能电网用户端智能电力监控和电能计量管理的研发与运用,为用户端提供智能电力监控与电能管理系统、大型公建能耗监测系统、光伏电站电力监控系统、剩余电流式电气火灾监控系统和ZigBee(物联网)无线网络电能管理系统等解决方案,是智能电力仪表行业中的领先者之一。
【企业文化】
安科瑞精神:创新、高效、团结、诚信
安科瑞使命:自主创新、科技强国
安科瑞目标:立足中国,放眼世界,争做一流智能配电供应商
安科瑞经营理念:为客户创造价值
安科瑞发展理念:实事求是、解放思想、与时俱进
安科瑞管理理念:以人为本、科学管理
【组织结构】

【商号来源】
“安科瑞”是公司英文商标“ACREL”的谐音。而“ACREL”则为“Accurate Electric ”的缩写,意为“精确电气”。“
”图案原意为方向与弓的组合,“
”表示公司发展方向为研发、制造精确、可靠电器产品。
【主营业务】
主要产品有智能电力监控仪表,智能马达控制器、电量传感器、导轨式安装电表、火灾监控装置、数显继电器、电力监控系统、能耗监测系统,产品涵盖了中低压的电力监控与保护、电能节能管理、电气安全三大领域:
1. 电力监控产品线
产品有PZ系列电力监控仪表、AMC16系列多路监控装置、ARC功率因数自动补偿控制仪、ARTU系列四遥装置、ARTM系列温度巡检测控仪、ASJ系列智能电力继电器、ARD系列智能马达控制器、ACTB系列电流互感器过电压保护器、WH系列温湿度控制器、ASD系列开关柜测控装置、M系列中压保护装置、Acrel-2000型10/0.4kV电力监控系统等12大系列。其中,PZ系列电力监控仪表,作为单一电量的“三遥”单元(遥测、遥信、遥控)使用;AMC16多回路监控装置可测量同一母线电压下多路单、三相电流、功率、电能、带开关量和继电器功能;ARC功率因数自动补偿控制仪,6~12路控制,带过压保护、欠流锁定功能;ARTU四遥单元,是传统低压配电实现遥测(电流)、遥信(开关量、断路器、接触器工作状态)、遥控、遥脉(采集电能)的低成本智能化方案;ASJ智能电力继电器,可对电机、线路、变压器等场合的过/欠电流、或过/欠电压等进行保护;ARD系列智能电动机保护与控制器,具有过载、断相、不平衡、欠载、接地、漏电等保护功能;ASD开关柜测控装置,具有中压开关状态指示、电参数测量、温湿度控制、高压带电指示、人体感应报警等功能;Acrel-2000通过对电力仪表、中压微机保护装置进行组网,具有对10/0.4kV配电系统进行测量、计量、诊断、控制、保护等功能。
2. 电能管理产品线
产品对配电系统各个电气节点进行电能计量,从中压到低压进线、出线、动力箱、照明箱均有对应电表。主要有导轨式安装电表,ACR多功能电能表,ZigBee集抄系统,Acrel-3000电能管理系统。其中,导轨式安装电表,采用DIN35mm导轨安装,应用于终端电能计量;ACR多功能电能表,34项电参数测量,四象限电能计量;2-31谐波及其它电能质量分析;ZigBee(物联网)集抄系统,是一种利用zigbee低功耗、低成本、低数据速率、低复杂度的无线网络技术,方便企业内部电能无线集抄;Acrel-3000能耗监测系统对大型公建与机关单位照明与插座用电、空调用电、动力用电、特殊用电进行分项计量,做到数据先于决策、节电始于计量,为电能节能审计提供依据。
3. 电气安全产品线
产品有ARCM剩余电流式电气火灾监控装置、Acrel-6000电气火灾监控系统。其中,ARCM剩余电流式电气火灾监控装置具有剩余电流在线监测,电气火灾提前报警,配电系统实时监控,电能计量(含谐波电能)全面管理,“三表合一”,节省投资成本。

图 1 产品样柜
【解决方案】
公司产品主要应用于智能电网用户端智能电力监控和电能计量管理。解决方案有:
1. Acrel-2000型厂矿10/0.4kV智能配电监控系统;
2. Acrel-3000型电能管理系统;
3. Acrel-5000型政府机关与大型公建能耗监测系统;
4. Acrel-6000型剩余电流式电气火灾监控系统;
5. 光伏电站电力监控系统;
6. 数据信息中心机房电源监控管理系统。
【研发实力】
公司拥有上海市区级技术中心,设有3个研发部、1个中试部、1个技术管理部,以及多个公用技术设计部。截止2010年,拥有100多项技术专利和自主知识产权。2007年公司网络电力仪表列为国家重点新产品;2009年1月获上海市“著名商标”称号、“高新技术自主创新”品牌;2010年被评为“上海市专利工作示范企业”,公司的可编程测控数显智能表、多回路监控装置、可再生能源风力发电电力监控装置、单相电子式复费率电能表先后被列为上海市重点新产品。参与起草的标准有:JB/T 10736-2007《低压电动机保护器》、GB/T 15576-2008《低压成套无功功率补偿装置》、GB/T 22387-2008《剩余电流动作继电器》、GB/Z 6829-2008《剩余电流动作保护器的一般要求》、GB/T 22264.X-2008《安装式数字显示电测量仪表》等5项;AMC系列多回路监控装置、ACR系列网络电力仪表获国际标准产标证书;“智能电网用户端能源管理表计系统研究”列为上海科委扶持项目(编号:09DZ1206202),“1/4抽屉柜智能马达管理单元的研发和产业化”列为国家科技部科技特派员项目(编号:2009GJC00023),从2003年至今,在专业杂志上发表技术论文45篇,在中国电力出版社出版《电力电测数字仪表原理与应用指南》,今后公司将更进一步提升科技创新能力和水平,实现创建中国品牌企业的战略目标。

图 2 技术中心屋顶花园
【生产基地】
江苏安科瑞电器制造有限公司,始建于2007年,位于江阴市南闸镇东盟科技园,占地34亩,厂房10000平方米。主要研发生产智能网络仪表、多功能电能计量仪表、电量传感器、智能马达保护装置等用户端智能化电力设备。拥有2条全自动无铅工艺SMT生产线。是江苏省高新技术企业。

图 3 防静电净化厂房SMT线
【企业荣誉】
2005年认定为上海市软件企业;
2006年认定为上海市优秀软件企业;
2007年认定为上海市品牌企业;第二十一届上海市优秀发明选拔赛一等奖;
2008年认定为上海市高新技术企业;上海市科技小巨人培育企业;上海市守合同重信用企业;
2009商标 被认定为上海著名商标;通过ISO9001:2008质理管理体系认证;
2010年认定为上海市专利工作示范企业;计算机信息系统集成资质。

图 4 展厅
【典型业绩】
2008北京奥运会开幕式/闭幕式临时配电中心、羽毛球场馆、五棵松体育馆、残疾人场馆、奥运地铁支线等(见图5)。

图 5
2010年上海世博会项目中,为以色列馆、加拿大馆、VIP酒店、通用企业馆、餐饮中心等多个场馆提供了电力监控仪表与电能管理系统(见图6)。

图 6
广州亚运会上,参与的项目有开幕式/闭幕式临时配电中心、羽毛球馆、跳水游泳馆等,用了大量的剩余电流式电气火灾监控装置及电力仪表(见图7)。

图 7
另外还有京津高铁、浦东机场二期、中船龙穴、敦煌10MW光伏示范电站、中国银行浦东数据中心、哥斯达黎加国家体育馆等项目。
1 概述
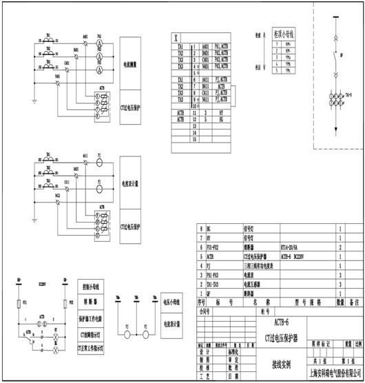
电流互感器(简称CT)在运行中如果二次绕组开路或一次绕组流过异常电流(如雷电流、谐振过电流,电容充电电流、电感启动电流等),都会在二次侧产生数千伏甚至上万伏的过电压。这不仅会使CT和二次设备损坏,也严重威胁运行人员的生命安全,并造成重大经济损失。采用电流互感器二次过电压保护器(简称ACTB),就能够有效防止因电流互感器二次侧异常高电压引起的事故。我公司生产的ACTB主要应用于各种CT二次侧的异常过电压保护。正常工作时,互感器二次侧处于近似短路状态,输出电压很低,一旦CT二次开路,出现异常尖峰过电压时它能立即响应限压,延时短路,从而起到保护作用,并且在面板上显示故障的部位,并有无源节点信号输出。电路故障排除后,重新正常工作。与同行比较我公司生产的ACTB具备输入电路保护功能,辅助电源交直流通用,工作范围宽等优点。
保护器应用于各种CT二次侧的差动绕组、过流绕组、测量绕组、母线保护绕组、备用绕组等。
2 型号说明

3 技术参数

4 外形及尺寸
ACTB-1

ACTB-3

ACTB-6

5 接线端子
一般情况下,互感器均连接在A、B、C三相上,少数连接在两相上,个别连接在一相上。绝大多数均为星形连接,少数三角形连接。本产品电流互感器为二次绕组星形连接。二次绕组A、B、C对应连接在保护器A、B、C接线端子上。若只用A、B绕组,C相可以不接线,不会影响保护器的正常工作。
ACTB-1

ACTB-3

ACTB-6

6 应用方案

想了解更多信息,请联系我们!
公 司:上海安科瑞电气股份有限公司
地 址:上海嘉定马东工业园区育绿路253号
:夏丽平
电 话:
手 机:
Q Q:1907079369
邮 箱:
邮 编:201801
免责声明:以上所展示的[ACTB-1 电流互感器过电压保护器]信息由会员[上海安科瑞电气股份有限公司电子商务部]自行提供,内容的真实性、准确性和合法性由发布会员负责。