| 提交询价信息 |
| 发布紧急求购 |
价格:电议
所在地:上海
型号:SH
更新时间:2011-11-19
浏览次数:1298
公司地址:上海嘉定区黄渡工业园谢春路1300弄3号
![]()
刘芳(女士)

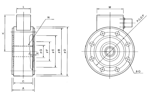
| Model | Capacity | A | B | C | D | E | F | G | H/J | N | P | Q | Natural frequency | Weight |
|---|---|---|---|---|---|---|---|---|---|---|---|---|---|---|
| SH-1KN |
1kN
|
25
|
65
|
22
|
70
|
41
|
18
|
14
|
0.5/2
|
M12×1
|
52
|
8-Φ6.5
|
6.5kHz
|
0.6kg
|
| SH-2KN |
2kN
|
25
|
65
|
22
|
70
|
41
|
18
|
14
|
0.5/2
|
M12×1
|
52
|
8-Φ6.5
|
8.0kHz
|
0.6kg
|
| SH-5KN |
5kN
|
25
|
65
|
22
|
70
|
41
|
18
|
14
|
0.5/2
|
M12×1
|
52
|
8-Φ6.5
|
11kHz
|
0.6kg
|
| SH-10KN |
10kN
|
25
|
65
|
22
|
70
|
41
|
18
|
14
|
0.5/2
|
M12×1
|
52
|
8-Φ6.5
|
16kHz
|
0.6kg
|
| SH-20KN |
20kN
|
30
|
65
|
22
|
70
|
41
|
18
|
14
|
0.5/2
|
M12×1
|
52
|
8-Φ6.5
|
21kHz
|
0.7kg
|
| SH-50KN |
50kN
|
30
|
88
|
27
|
92
|
60
|
30
|
22
|
1/2
|
M20×1.5
|
74
|
8-Φ9.0
|
18kHz
|
1.1kg
|
| SH-100KN |
100kN
|
34
|
117
|
31
|
121
|
82
|
46
|
34
|
1/2
|
M32×2
|
100
|
8-Φ11
|
16kHz
|
2.2kg
|
| SH-200KN |
200kN
|
50
|
166
|
-
|
-
|
116
|
60
|
44
|
1/2
|
M40×2
|
142
|
8-Φ17
|
12kHz
|
6.0kg
|
| SH-500KN* |
500kN
|
70
|
256
|
-
|
-
|
182
|
98
|
75
|
2/2
|
M70×2
|
217
|
8-Φ25
|
8.9kHz
|
28kg
|
| SH-1MN* |
1MN
|
96
|
372
|
-
|
-
|
272
|
144
|
105
|
2/2
|
M100×3
|
322
|
8-Φ34
|
7.1kHz
|
82kg
|
| Safe Overload | 150%RC |
| Rated Output | 0.75mV/V±1%(1kN) |
| 1.0mV/V±1%(2kN) | |
| 1.5mV/V±1%(5kN to 1MN) | |
| Nonlinearity | 0.15%RO |
| Hysteresis | 0.15%RO |
| Nonrepeatability | 0.1%RO |
| Excitation Voltage | 12V (or less) |
| Safe Excitation Voltage | 20V |
| Input Resistance | 350Ω nominal |
| Input Resistance | 350Ω nominal |
| Compensated Temp.Range | -10 to 60℃ |
| Safe Temp.Range | -30 to 80℃ |
| Temp.Effect on Zero | 0.01%RO/℃(1kN,2kN) |
| 0.005%RO/℃(5kN to 1MN) | |
| Temp.Effect on Output | 0.01%/℃ |
| Connector(on body) | Receptacle / PRC03-21A10-7F |
| Attached cable | L-A-5 (Refer to transducer connections |
免责声明:以上所展示的[SH 称重传感器日本昭和SHOWA]信息由会员[上海安钧实业有限公司]自行提供,内容的真实性、准确性和合法性由发布会员负责。