公司简介
              
              
                  
金湖中捷仪表有限公司是一家专业从事仪表研究、开发、生产、销售、服务为一体的高新技术企业。
公司拥有一流的仪器和设备,完善的科学管理体系和制度,有丰富的设计制造经验,公司严格执行产品国际标准及国内行业标准,参照国内各工矿企业的使用环境条件和工艺要求制订严格的工艺流程,产品广泛应用于钢铁、石油、化工、矿业、环保、冶金、造纸、排水等工业技术和管理部门。受到用户一致好评,产品远销北京、上海、广东、山东等,部分产品还远销国外。 
 我们本着“品质求精,客户至上”的服务理念, 愿与客户携手,与科技同行,以全新的营销策略,走向更广阔的市场。我们在致力于将最新的科学技术应用到仪表的同时,还努力从客户那里获取产品改进的意见和建议,使得产品和服务得到客户的一致好评,衷心希望成为您可信赖的合作伙伴。 我们生产的标准校验装置、电磁流量计、涡街流量计、孔板流量计、金属管浮子流量计、金属管转子流量计、精密数字压力计、物位计、压力表、热电偶、热电阻、双金属温度计、液位计、磁翻板液位计、压力变送器、无纸记录仪等产品在电力、石化以及冶金等行业的自动化控制中得到了广泛的应用。
               
              展开
           
          
          
              
                  
产品说明
              
              
                  
    
        
            | ZJ-UDZ系列磁翻柱远传液位计 | 
        
        
            | 
               
            
            
                
                    
                        | 
                            
                         适用于低温到高温,真空到高压等各种环境,是石油、化工等工业部门的理想液位测量产品。根据在容器中安装位置的不同,提供侧装和顶装两种形式。根据工作介质不同,提供不锈钢和ABS、PP-R工程塑料三种材质,其中ABS、PP-R材质适用于酸、碱等腐蚀性介质。 
                         | 
                     
                    
                        | 
                         特点 
                         | 
                        
                           
                         | 
                     
                    
                        | 
                         1、以浮子为测量元件,磁钢驱动翻柱显示,无需能源。 
                        2、配上下限开关输出,可实现远距报警,限位控制。 
                        3、配变送器可实现液位远距报指示,检测与控制。 
                         | 
                     
                    
                        | 
                         结构及工作原理 
                         | 
                        
                           
                         | 
                     
                    
                        | 
                         1、基本型 
                        根据浮力原理,浮子在测量管内随液位的升降而上、下移动,浮子内的磁钢通过耦合作用,驱动红、白色翻柱翻转180°,液位上升时翻柱由白色转为红色,下降时由红色转为白色,从而实现液位指示。 
                        2、电远传 
                        在浮子液位计上安装变送器,通过浮子上下移动,经磁耦合作用使导杆内测量元件依次动作,获得电阻信号变化,转换成0~10mA或4~20mA的标准信号输出,与显示仪表或计算机连接,达到远传目的。 
                        3、上下限开关输出 
                        在液位计立管上由用户设定上、下限位置安装控制器,控制器内带有自保持作用的舌簧开关,利用磁性浮子随液位移动使簧片开关动作时,实现报警或限位控制。 
                         | 
                     
                    
                        |   | 
                     
                
             
             
              
            
             
                
                    
                        | 
                         系统构成及接线 
                         | 
                     
                    
                        | 
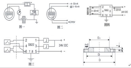
                         1、上下限开关输出 
                        由具有自保持作用的舌簧开关和转换器组成,舌簧开关和转换器分别安装于现场和控制室,由转换器提供三对触点开关。 
                        2、电远传 
                        由测量单元和变送单元两部分组成。 
                        3、本安防爆 
                        a 带本安防爆,上、下限开关输出型 
                        防爆开关由舌簧开关和带继电器触点的安全栅组成,可向用户直接提供一对常开或常闭触点。如用户需更多触点可特殊设计订货。(图三) 
                        b 带本安防爆远传型 
                        适合使用于∏类电气设备(工厂用)、C级气体,zui高表面温度组别T4(135℃)。(图四) 
                        c 使用注意事项 
                        ①变送器外壳设有外接地,用户使用时必须可靠接地。 
                        ②安全栅的使用应遵守有关使用说明内容。 
                        ③变送器与安全栅本安端的连接电缆为二芯屏蔽电缆,芯线截面积>0.5m ,电缆允许分布电容为0.8μF 
                         | 
                     
                
             
            
              
            用户自备法兰 
            
            
            
                
                    
                        | 
                         安装形式 
                         | 
                        
                         主体材质 
                         | 
                        
                         公称直径 
                         | 
                        
                         公称压力 
                         | 
                        
                         D 
                         | 
                        
                         D1 
                         | 
                        
                         D2 
                         | 
                        
                         n 
                         | 
                        
                         d 
                         | 
                        
                         f 
                         | 
                        
                         b 
                         | 
                     
                    
                        | 
                         侧装 
                         | 
                        
                         不锈钢 
                         | 
                        
                         20 
                         | 
                        
                         4.0 
                         | 
                        
                         105 
                         | 
                        
                         75 
                         | 
                        
                         56 
                         | 
                        
                         4 
                         | 
                        
                         14 
                         | 
                        
                         2 
                         | 
                        
                         16 
                         | 
                     
                    
                        | 
                         ABS 
                         | 
                        
                         20 
                         | 
                        
                         10 
                         | 
                        
                         105 
                         | 
                        
                         75 
                         | 
                        
                         56 
                         | 
                        
                         4 
                         | 
                        
                         14 
                         | 
                        
                         2 
                         | 
                        
                         16 
                         | 
                     
                    
                        | 
                         顶装 
                         | 
                        
                         不锈钢 
                         | 
                        
                         200 
                         | 
                        
                         2.5 
                         | 
                        
                         360 
                         | 
                        
                         310 
                         | 
                        
                         274 
                         | 
                        
                         12 
                         | 
                        
                         26 
                         | 
                        
                         3 
                         | 
                        
                         32 
                         | 
                     
                    
                        | 
                         ABS 
                         | 
                        
                         200 
                         | 
                        
                         0.6 
                         | 
                        
                         320 
                         | 
                        
                         280 
                         | 
                        
                         274 
                         | 
                        
                         8 
                         | 
                        
                         8 
                         | 
                        
                         3 
                         | 
                        
                         32 
                         | 
                     
                
             
             
            主要技术指标 
            
            
            
                
                    
                        | 
                         安装形式内容 
                         | 
                        
                         侧装式 
                         | 
                        
                         顶装式 
                         | 
                     
                    
                        | 
                         安装间距 
                        (测量范围) 
                         | 
                        
                         不锈钢 
                         | 
                        
                         500~5000(mm) 
                         | 
                        
                         500-2500(mm) 
                         | 
                     
                    
                        | 
                         ABS、PP-R 
                         | 
                        
                         500~4000(mm) 
                         | 
                     
                    
                        | 
                         工作压力 
                         | 
                        
                         0.6,1.6,2.5,4.0MPa 
                         | 
                        
                         0.6,1.6,2.5MPa 
                         | 
                     
                    
                        | 
                         介质密度 
                         | 
                        
                         >0。6g/c 
                         | 
                        
                         >0.76g/c 
                         | 
                     
                    
                        | 
                         法兰连接 
                         | 
                        
                         不锈钢 
                         | 
                        
                         法兰20-40(DN20 PN1.0-4.0) 
                        (GB9119-88) 
                         | 
                        
                         法兰200-25(DN200 PN1.6) 
                        (GB9119-88) 
                         | 
                     
                    
                        | 
                         ABS 
                         | 
                        
                         法兰20-10(DN20 PN1.0) 
                        (GB9119-88) 
                         | 
                        
                         法兰200-6(DN200 PN0.6) 
                        (GB9119-88) 
                         | 
                     
                    
                        | 
                         主体材料 
                         | 
                        
                         ICr18Ni9Ti、ABS、PP-R(工作压力0.6MPa) 
                         | 
                     
                    
                        | 
                         介质温度 
                         | 
                        
                         -40~100℃(ABS、PP-R:-40~80℃) 
                         | 
                     
                    
                        | 
                         环境温度 
                         | 
                        
                         -40~+70℃ 
                         | 
                     
                    
                        | 
                         示值误差 
                         | 
                        
                         ±100mm 
                         | 
                     
                    
                        | 
                         介质粘度 
                         | 
                        
                         ≤1st(10-4 /s) 
                         | 
                     
                    
                        | 
                         上、下限 
                        开关输出 
                         | 
                        
                         1、控制灵敏度:10mm 
                        2、输出接点容量:AC220V 2A 
                        3、接点寿命:5×104次 
                        4、防爆特征:iaIICT4本质安全型 
                         | 
                     
                    
                        | 
                         电远传、 
                        连续显示 
                         | 
                        
                         1、精度:±1.5% 
                        2、输出负载:750Ω 
                        3、输出信号:0~10mA输出,220V AC电源 
                        4~20mA输出,24V DC二线制 
                        4、防爆特征:iaIICT4本质安全型 
                         | 
                     
                
             
             
             型号说明 
            
            
            
                
                    
                        | 
                         ZJ-UDZ系列磁翻柱式磁浮子液位计 
                         | 
                     
                    
                        |   | 
                        
                         1 侧装式 
                        2 顶装式 
                         | 
                        
                         安装方式 
                         | 
                     
                    
                        |   | 
                        
                         1 1Cr18Ni9Ti 
                        2 ABS 
                        3 PP-R 
                         | 
                        
                         主体材质 
                         | 
                     
                    
                        |   | 
                        
                         1 0.6MPa 
                        2 1.6MPa 
                        3 2.5MPa 
                        4 4.0Mpa 
                         | 
                        
                         公称压力 
                         | 
                     
                    
                        |   | 
                        
                         1 基本型 
                        2 带上下限开关输出 
                        3 带电远传(0~10mA输出,220V,AC) 
                        4 带电远传(4~20mA输出,24V,DC) 
                        5 带本安防爆型(4~20mA,24V,DC) 
                        6 带本安防爆型上下限开关输出 
                         | 
                        
                         类型 
                         | 
                     
                    
                        |   | 
                        
                         L 安装间距(测量范围) 
                         | 
                          | 
                     
                    
                        |   | 
                        
                         L1 安装深度(顶装式(0~4000mm任选) 
                         | 
                          | 
                     
                    
                        |   | 
                        
                         介质密度ρ(g/c ) 
                         | 
                          | 
                     
                    
                        |   | 
                          | 
                     
                    
                        | 
                         ZJ-UDZ- 
                         | 
                        
                         2 
                         | 
                        
                         2 
                         | 
                        
                         1 
                         | 
                        
                         1 
                         | 
                        
                         L=2500mm 
                         | 
                        
                         L1=3000mm 
                         | 
                        
                         ρ=0.8g/c 
                         | 
                        
                         举例 
                         | 
                     
                
             
             
             
             | 
        
    
本页产品地址:http://www.geilan.com/sell/show-244965.html